Produs REM-98B8T-8BAR-H1151
Encoder rotativ absolut - Multi-tură
Linia Industrial
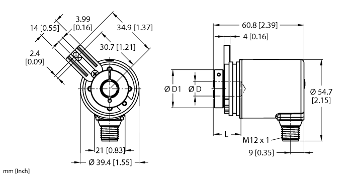
Număr de comandă: 100011348- Flanşă cu element de montare
- Alezaj cu gaură înfundată, Ø 8 mm (adâncimea maximă de inserţie 18.5 mm)
- Principiu de măsură magnetic
- Materialul axului - oţel inoxidabil
- Clasă de protecţie IP67 pe partea cu axul şi carcasă
- ‐40…+85 °C
- Max. 4000 rpm (funcţionare continuă: 2000 rpm)
- Tehnologie de colectare energie
- 15…30 Vcc
- Ieşire analogică, 0…10 V la 16 rotaţii sens orar
- Rezoluţie 12 bit
- Conector tată M12 x 1; 5-pini

Caracteristici generale
| EAN | 4047101548389 |
| eCl@ss-Code (V5.1.4): | 27270501 -/- Codificator, absolut |
| Număr tarif vamă | 90318080000 |
| Ţara de origine | DE |
| Masă | 200 g |
Date Tehnice
| Linie encodere | Industrial-Line |
| Tehnologie | Magnetic |
| Tip de ieşire | Absolut multitură |
| Tip de ax | Ax cu gaură înfundată |
| Diametru ax D (mm) | 8 |
| Diametru flanşă | Ø 36 mm |
| Tip de flanşă | Flanşă cu element de montare |
| Tensiune de alimentare | 15…30 Vcc |
| Funcţie de ieşire | Ieşire analogică |
| Ieşire în tensiune | 0…10 V |
| Conexiune electrică | Conectori, M12 × 1 |
| Materialul carcasei | Zinc turnat sub presiune |
| Temperatura mediului | -40…+85 °C |
| Protection class shaft | IP67 |
| Clasă de protecţie | IP67 |
Accesorii de conectare
|
RKC4.5T-2/TEL
Cablu de conectare, conector mamă M12, drept, 5-pini, lungime cablu: 2 m, material manta: PVC, negru; certificare cULus |
6625016 |

